上海滬通閥門科技有限公司上海總部

|
|
主要零部件材料
|
||||||||||||||||||||||||||||||||||||||||||||||||||||||||||||||||||||||||||||||||||||
|

|
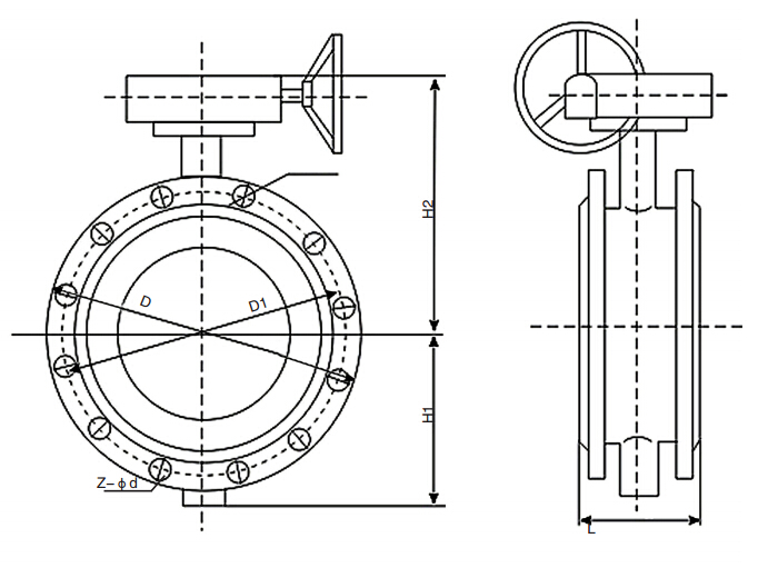
DN |
L |
H1 |
H2 |
1.0MPa |
1.6MPa |
||||
|
D |
D1 |
Z-φd |
D |
D1 |
Z-φd |
||||
|
50 |
108 |
202 |
77 |
165 |
125 |
4-18 |
165 |
125 |
4-18 |
|
65 |
112 |
213 |
93 |
185 |
145 |
4-18 |
185 |
145 |
4-18 |
|
80 |
114 |
221 |
100 |
200 |
160 |
8-18 |
200 |
160 |
8-18 |
|
100 |
127 |
234 |
113 |
220 |
180 |
8-18 |
220 |
180 |
8-18 |
|
125 |
140 |
253 |
123 |
250 |
210 |
8-18 |
250 |
210 |
8-18 |
|
150 |
140 |
269 |
193 |
285 |
240 |
8-22 |
285 |
240 |
8-22 |
|
200 |
152 |
316 |
172 |
340 |
295 |
8-22 |
340 |
295 |
12-22 |
|
250 |
165 |
358 |
202 |
395 |
355 |
12-22 |
405 |
355 |
12-26 |
|
300 |
178 |
384 |
218 |
445 |
410 |
12-22 |
460 |
410 |
12-26 |
|
350 |
190 |
439 |
253 |
505 |
470 |
16-22 |
520 |
470 |
16-26 |
|
400 |
216 |
500 |
300 |
565 |
525 |
16-26 |
580 |
525 |
16-30 |
|
450 |
222 |
528 |
328 |
615 |
585 |
20-26 |
640 |
585 |
20-30 |
|
500 |
229 |
552 |
352 |
670 |
650 |
20-26 |
715 |
650 |
20-33 |
|
600 |
267 |
669 |
397 |
780 |
770 |
20-30 |
840 |
770 |
20-36 |
|
700 |
292 |
745 |
498 |
895 |
840 |
24-30 |
910 |
840 |
24-36 |
|
800 |
318 |
803 |
571 |
1015 |
950 |
24-33 |
1025 |
950 |
24-40 |
|
900 |
510 |
880 |
615 |
1115 |
1050 |
28-33 |
1125 |
1050 |
28-40 |
|
1000 |
550 |
935 |
705 |
1230 |
1160 |
28-36 |
1255 |
1170 |
28-43 |
|
1200 |
630 |
1067 |
827 |
1455 |
1380 |
32-39 |
1485 |
1390 |
32-49 |
微信掃一掃 即可享受移動 瀏覽的樂趣